电话: 75527322952
邮箱: info@jrteck.com
wechat
东方骏科东方骏科
  • 首页
  • 解决方案
    石油化工
    石油化工
    详情
    海上石油钻井平台
    海上石油钻井平台
    详情
    陆上石油平台
    陆上石油平台
    详情
    工业制造厂房
    工业制造厂房
    详情
    核电站
    核电站
    详情
    采矿通信系统
    采矿通信系统
    详情
    高速公路
    高速公路
    详情
    公路隧道
    公路隧道
    详情
    地下综合管廊
    地下综合管廊
    详情
    监狱
    监狱
    详情
    智慧城市
    智慧城市
    详情
    港口码头
    港口码头
    详情
    医疗/校园
    医疗/校园
    详情
    制药厂和洁净室
    制药厂和洁净室
    详情
    4G通信解决方案
    4G通信解决方案
    详情
    风力发电场
    风力发电场
    详情
    解决方案
    石油化工
    海上石油钻井平台
    陆上石油平台
    工业制造厂房
    核电站
    采矿通信系统
    高速公路
    公路隧道
    地下综合管廊
    监狱
    智慧城市
    港口码头
    医疗/校园
    制药厂和洁净室
    4G通信解决方案
    风力发电场
  • 产品中心
    关键任务IP通信系统
    关键任务IP通信系统
    详情
    防爆类电话
    防爆类电话
    详情
    防水防尘电话
    防水防尘电话
    详情
    光纤管廊电话
    光纤管廊电话
    详情
    防破坏电话
    防破坏电话
    详情
    紧急电话
    紧急电话
    详情
    视频对讲机
    视频对讲机
    详情
    电话隔音罩
    电话隔音罩
    详情
    电话立柱
    电话立柱
    详情
    电话配件
    电话配件
    详情
    产品中心
    关键任务IP通信系统
    防爆类电话
    - 防爆电话
    - 隔爆电话
    防水防尘电话
    光纤管廊电话
    防破坏电话
    紧急电话
    视频对讲机
    电话隔音罩
    电话立柱
    电话配件
    - 电路板
    - 电话听筒和挂钩
    - 灯和喇叭
    - 坚固的键盘
  • 关于我们
    公司简介 我们的优势 工厂 证书 伙伴
  • 支持
    服务支持 技术支援 常问问题 下载中心
  • 新闻中心
    公司新闻 产品案例
  • 联系我们
  • English English
    简体中文 简体中文
    繁體中文 繁體中文
    France Français
    Germany Germany
    Spain Spanish
    Netherlands Dutch
    Italy Italian
    UKrainian UKrainian
    xxx Portuguese
    Norge Norge
    ja Japan
    Pilipino Pilipino
    lao Laos
    telugu Telugu
    romanian Romanian
    haitian Haitian
    Sweden Sweden
    Czech Republic Czech
    Russian Russian
    malagasy Malagasy
    Burmese Burmese
    Pashto Pashto
    Thai Thai
    Armenian Armenian
    kurdish Kurdish
    turkish Turkish
    Hindi Hindi
    bulgarian bulgarian
    malay Malay
    icelandic Icelandic
    irish Irish
    afrikaans Afrikaans
  • wechat
  • 咨询 报价
  • 中文版
  • 产品中心
  • 电话配件
  • 坚固的键盘
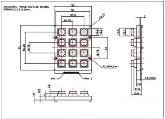
  1. 防水键盘 JR-KP-02
防水键盘 JR-KP-02

JR-KP-02

- 特殊工程塑料框架,镀铬按键采用锌合金材质,防破坏
- 导电橡胶采用天然硅胶
- 防水、耐腐蚀、耐老化
- 双面电路板,触感良好
- 配备9针连接器
- 带LED背光,适用于昏暗环境
- 包含十二个标准键盘按键
- 使用寿命>50万次
获取报价
返回首页
主要特征
解决方案
技术参数
联系我们

主要特征

升级版防水键盘

产品视频

技术参数

技术参数
按键寿命:>50万次
按键行程:0.45毫米
LED电源电压:3V

环境适应性
工作温度:-25°C 至 +65°C
存储温度:-30°C 至 +70°C
工作相对湿度:30-90%
防护等级:IP56(前面板)

可选配件

No related content

尺寸包装

产品推荐

防水键盘 JR-KP-02

防水键盘 JR-KP-02

升级版防水键盘

查看详情

工业级键盘 JR-KP-01

工业级键盘 JR-KP-01

- 特殊工程塑料框架,镀铬锌合金按键。防破坏 - 采用天然硅胶制成的导电橡胶 - 防水、耐腐蚀、耐老化 - 双面电路板,触感良好

查看详情

联系我们

与您分享
实时资讯

我们将为您提供最新解决方案、案例研究、
网络安全信息及新产品动态

了解更多关于我们的信息
00

留言* :

解决方案

石油化工
海上石油钻井平台
陆上石油平台
工业制造厂房
核电站
采矿通信系统
高速公路
公路隧道

产品中心

关键任务IP通信系统
防爆类电话
防水防尘电话
光纤管廊电话
防破坏电话
紧急电话
视频对讲机
电话隔音罩
电话立柱
电话配件

服务支持

服务支持
技术支援
常问问题
下载中心
东方骏科-工业安全通讯解决方案提供商
东方骏科
查看品牌
  • @2025 东方骏科版权所有
  • 隐私政策
  • 使用条款
  • 网站地图
  • 备案号:粤ICP备19073256号-3
  • 粤公网安备44030002010368号
wechat

OEM/ODM在线咨询

00

留言* :