

| 工作电压 | DC12V | |
| 电源频率 | 50Hz-60Hz | |
| 功 率 | 10W | |
| 1Hz flash (60 fpm) | ||
| 1.5Hz flash (90 fpm) | ||
| LED反射镜旋转型;转速: 120~140RPM | 2Hz flash (120 fpm) | |
| Double strike flash 50ms on, 150ms off x | ||
| 发 光 源 | 2, 600ms off | |
| (可选) | Triple strike flash 150ms on, 150ms off x | |
| 3, 600ms off | ||
| LED频闪与爆闪型(功率5W,10W) | High Power Steady | |
| Low Power Steady | ||
| LED 灯寿命不低于60000小时 | ||
| Xenon爆闪型(功率5J,10J,15J,20J) | 1Hz flash (60 fpm) | |
| 示警方式 | 旋转灯 | |
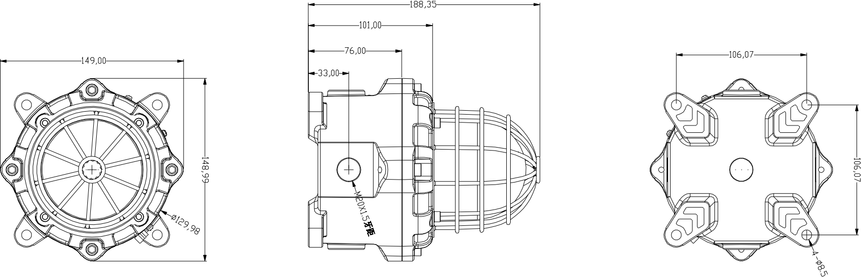
| 外壳材质 | 铝合金或SUS304 不锈钢 | 可选 |
| LED 灯罩 | ABS | — |
| 防护等级 | IP66 | |
| 工作温度 | -30℃~ 70℃ | |
| 工作��度 | 10%~ 95%RH (不凝结) |

